We have 1000’s of used and new mcculloch chainsaw parts. We just bought out a large mcculloch dealer this summer and got lots of NOS chainsaw parts. We have lots of used mcculloch parts. Especially for common models like 10-10, pro mac, 10 series, super pro series, 610, power mac, timber bear and many many other models.
With the McCulloch Mac 842 McCulloch have designed a petrol chainsaw that is highly efficient and can face up to the most of challenging tasks. Inside the body is the McCulloch advanced engine system that works by giving off lower emissions, has excellent fuel efficiency and increased power output levels. As that is becoming standard with McCulloch chainsaws the Mac 842 has an electronic ignition system and a fuel primer. This makes it easy to start the chainsaw. But to make the Mac 842 even easier to start there is the additional reduced pulling force in the starter handle. Ergonomically this chainsaw has the anti vibration system, well placed handles and a soft grip on the rear handle. Maintaining this chainsaw is really easy and any adjustments you need to make on the tension of the chain are performed with a knob. Red dead redemption 2 guide free download. This makes needing tools to set the tension of the chain a thing of the past. For safety there is the dual mounted chain brake which has inertia automatically activation. This is one of the most powerful chainsaws that McCulloch has and if felling trees is your requirement, then look no further.
- Download 350 McCulloch Chainsaw PDF manuals. User manuals, McCulloch Chainsaw Operating guides and Service manuals.
- Chainsaw; MAC 842; McCulloch MAC 842 Manuals Manuals and User Guides for McCulloch MAC 842. We have 2 McCulloch MAC 842 manuals available for free PDF download: Manuel D'instructions, Instruction Manual.
- Select Chainsaw Make 2. Select Chainsaw Model. EMAC1040 30cm/12' 35cm/14' 40cm/16' 45cm/18' 1000. Mac 842 40cm/16' Mac Cat 442 40cm/16' Mac Cat 842.
Features

2 stroke engine

2.15 hp
Automatic oil pump
EcoBoost
If your like me and uses Both the PS3 and PC, you may of tryed to see if your PS EYE works on the PC as a webcam Unfortunately it wont work straight off, But some genius has been busy recoding the. Flappy Jelly(Android Game)- Buy PS3 Eye Camera at lowest price click - http://amzn.to/2. Ps eye on pc. Use PlayStation Eye As Webcam On Windows To start with, you need to download the drivers file which would actually let you use PS Eye on PC. SO, download CL-EYE platform file on to your computer. Once you download the above file, install it on your computer.
CCS system
Soft Start
Fuel pump
Stop/choke switch combined
Tool less Chain Tensioner
Soft Grip
Double Action Chainbrake
Anti vibration
Bar length of 40 cm
Weight 5.5 kg
Mcculloch Mac 842 Chainsaw
McCulloch Mac 842
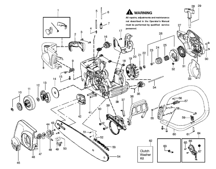
Mac 842 Chainsaw Parts
McCulloch Mac 842
Body

Mac 842 Chainsaw Chain
| ID | Parts Number | Parts Description | Notes | Purchase |
|---|---|---|---|---|
| 1 | 530071927 | Kit-Trigger/Lockout | ||
| 2 | 545011903 | Cover-Handle | ||
| 3 | 530016433 | Screw | ||
| 4 | 530023877 | Fitting-Fuel line | ||
| 5 | 530069216 | Kit-Fuel Line (Large) | ||
| 6 | 530069247 | Kit-Fuel Line (Small) | ||
| 7 | 530095649 | Assembly-Fuel Pick Up | ||
| 8 | 545012103 | Handle-Rear | ||
| 9 | 530059475 | Spring-Rear Isolator | ||
| 10 | 530071945 | Kit-Clutch Washer | ||
| 11 | 530057905 | Assembly-Clutch Drum 3/8” | ||
| 12 | 530071945 | Kit-Clutch Washer | ||
| 13 | 530057907 | Assembly-Clutch | ||
| 14 | 530016419 | Washer-Large Clutch | ||
| 15 | 530015906 | Screw | ||
| 16 | 530047192 | Assembly-Fuel Cap w/ret | ||
| 17 | 530016064 | Screw | ||
| 18 | 530015922 | Nut-”U” type speed | ||
| 19 | 545016308 | Assembly-Flywheel | ||
| 20 | 530057911 | Shield-Heat | ||
| 21 | 530015127 | Washer-Flywheel | ||
| 22 | 530016134 | Nut-Flywheel | ||
| 23 | 530021179 | Screw-Shoulder | ||
| 24 | 530059677 | Starter Hub-EPS | ||
| 25 | 530021180 | Spring-EPS | ||
| 26 | 530071966 | Kit- EPS Starter Pulley (Incl. 23,24,25, 32) | ||
| 27 | 545045903 | Housing-Fan | ||
| 28 | 545006108 | Handle-Starter | ||
| 29 | 530069232 | Kit-Rope | ||
| 30 | 530016432 | Screw | ||
| 31 | 576657801 | Spring-Starter | ||
| 32 | 530016080 | Screw | ||
| 33 | 545045701 | Baffle | ||
| 34 | 530058786 | Assembly-Oil Vent | ||
| 35 | 530057236 | Assembly-Oil Cap w/ret. | ||
| 36 | 530057880 | Handguard | ||
| 37 | 530016416 | Spring-Handguard | ||
| 38 | Assembly-Chassis (Incl.4,5,6,7,9,15,16,17,18,20,34,35,37,41,59, ) | |||
| 545011803 | (Gold) | |||
| 545011813 | (Black) | |||
| 39 | 530071893 | Kit-Chainbrake | ||
| 40 | 530016432 | Screw | ||
| 41 | 530016133 | Bolt-Bar | ||
| 42 | 530057910 | Plate-Bar | ||
| 43 | 530016064 | Screw | ||
| 44 | 530059999 | Cover-Gearbox | ||
| 45 | 545040601 | Knob | ||
| 46 | 545027903 | Assembly-Clutch Cover (Incl 43,44,47,48,49,50) | ||
| 47 | 525884203 | Assembly-Bar Adjust wheel | ||
| 48 | 530150000 | Assembly-Bar Adjust | ||
| 49 | 545157401 | Pin-Bar Adjust | ||
| 50 | 545147001 | Clip-Spring | ||
| 51 | 530016439 | Screw | ||
| 52 | 530014381 | Kit-Spike (incl. 51) | ||
| 53 | 952051211 | Chain 16” | ||
| 54 | 530044915 | Bar 16” | ||
| 55 | 530016432 | Screw | ||
| 56 | 530016443 | Screw | ||
| 57 | 530059480 | Assembly-Rear Iso. Spring | ||
| 58 | 530015906 | Screw | ||
| 59 | 530059479 | Assembly-Front Iso. Spring | ||
| 60 | 530057878 | Handle-Front | ||
| 61 | 530016432 | Screw | ||
| 62 | 530071945 | Kit-Clutch Washer (Incl. 10,12) | ||
| 63 | 530057924 | Assembly-Oil Pick Up | ||
| 64 | 530071891 | Kit-Oil Pump (Incl. 65,66,67) | ||
| 65 | 530016064 | Screw | ||
| 66 | 530057931 | Assembly-Oil Pump | ||
| 67 | 530037820 | Gear-Worm |
Engine
Mac 842 Chainsaw Review
| ID | Parts Number | Parts Description | Notes | Purchase |
|---|---|---|---|---|
| 1 | 530016153 | Screw | ||
| 2 | 545115801 | Module-Ignition | ||
| 3 | 530016432 | Screw | ||
| 4 | 530058661 | Strap-Ground | ||
| 5 | 530057943 | Assembly-Wire Harness | ||
| 6 | 530059006 | Reflector-Tape | ||
| 7 | 545045801 | Shield-Cylinder(Incl.1,6) | ||
| 8 | 530016080 | Screw | ||
| 9 | 530057891 | Lever-Ignition Switch | ||
| 10 | 530057908 | Spring-Ignition Switch | ||
| 11 | 530059399 | Knob-Choke | ||
| 12 | 530059001 | Cover-Air Filter | ||
| 13 | 530057869 | Filter-Air | ||
| 14 | 530016425 | Screw | ||
| 15 | 545046901 | Housing-Air Filter w/cable | ||
| 16 | Carburetor | |||
| 545070601 | Zama W26 (Incl. 18) | |||
| 17 | 530069247 | Kit-Fuel Line (Small) | ||
| 18 | 530047721 | Bulb-Purge “snap-in | ||
| 19 | 530071889 | Kit-Carb. Adaptor ( Incl. # 20,38,41) | ||
| 20 | 530071894 | Gasket-cyl. (kit)” | ||
| 21 | 952030150 | Accy-Spark Plug (RCJ-7Y) | ||
| 22 | 530071884 | Kit-Cylinder (Incl. 29,37) | ||
| 23 | 530058660 | Clip-High Tension Lead | ||
| 24 | 545081801 | Kit-Muffler (Incl. 25,26,27,28) | ||
| 25 | 530057942 | Backplate-Muffler | ||
| 26 | 530071894 | Gasket-Muffler (kit) | ||
| 27 | 545081701 | Kit-Spark Arrestor | ||
| 28 | 530016338 | Bolt-Muffler | ||
| 29 | 545015301 | Insert-Left (black) Cyl. | ||
| 30 | 545112901 | Assembly-Crankshaft/Rod | ||
| 31 | 530016417 | Bolt | ||
| 32 | 530057941 | Cap-Crankcase | ||
| 33 | 530056363 | Assembly-Bearing/Seal | ||
| 34 | 530071883 | Kit-Piston (Incl. 35,36) | ||
| 35 | 530015697 | Retainer-Piston Pin | ||
| 36 | 530038729 | Ring-Piston | ||
| 37 | 545015401 | Insert-Right (gray)Cyl. | ||
| 38 | 530071894 | Seal-Adaptor (kit) | ||
| 39 | 530016426 | Screw | ||
| 40 | 530071894 | Gasket-Carb. (kit) | ||
| 41 | 530057926 | Tube-Intake | ||
| 42 | 530016101 | Nut-Carb | ||
| 43 | 530071894 | Kit-Gasket (Incl . 20,26,38,40) | ||
| 44 | 530031135 | Scrench | ||
| 115292226 | Euro 1 | Not Shown | ||
| 115292326 | Euro 2 | Not Shown | ||
| 115292426 | Euro 3 | Not Shown | ||
| 115292526 | Euro 4 | Not Shown | ||
| 115292626 | Euro 5 | Not Shown | ||
| 115292856 | Russia | Not Shown | ||
| 545083601 | Decal-Warning | Not Shown | ||
| 545083604 | Decal-Warning CE | Not Shown | ||
| 545091601 | Case-Carrying (body) | Not Shown | ||
| 530164048 | Case-Carrying (r & l) | Not Shown | ||
| 530164050 | Case-Carrying (latch) | Not Shown | ||
| 545005401 | Case-Carrying (scab.) | Not Shown,New Part Number For This Ipl |
